保护器规格型号 保护器外形展示 保护器选型导航 保护器选用要点 联系方式  
  PROFIBUS 通讯 MODBUS 通讯 RS-485 通讯 4-20mA 输出 运行状态输出  
 
在沈阳新维自动化有限公司网站 http:// WWW.SY-XINWEI.COM 的“资料下载”栏目有更详细、不断更新的《电动机保护器使用说明书》、《电动机保护器选型手册》、《电动机保护器使用手册》、《电动机保护器通讯技术手册》、《电动机保护器应用技术手册》等电子版资料,欢迎下载使用。
AMDL-□/O03□ 系 列 电 动 机 保 护 器
  AMDL-□/O03□ 系列电动机保护器特点
       AMDL-□/O03□ 系列电动机保护器,在电动机正常运行时,显示电动机的 A、B、C 相电流及电压;当电动机发生接地、短路、缺相、堵转、电流不平衡、过载、过压、欠压
       故障时,通过断开保护器内的继电器触点停止电动机运行(故障指示灯亮),同时显示故障代码指示电动机的故障类型,并且还显示发生故障时的A、B、C 相电流及电压值。
  AMDL-□/O03□ 系列电动机保护器技术数据
AMDL-□/003□ 系列电动机保护器数据
 电动机保护器型号
AMDL-0.5/003□
AMDL-1/003□
AMDL-2/003□
AMDL-5/003□
AMDL-10/003□
AMDL-20/003□
AMDL-50/003□
AMDL-100/003□
AMDL-150/003□
AMDL-200/003□
 最大工作电流(A) 0.55 1.1
2.3
5.5
11
23
55
110
165
220
 最小工作电流(A) 0.1 0.2
0.4
1
2
4
10
20
30
40
 电动机最大功率(KW) 0.22 0.4
1.1
2.2
4
11
22
45
75
110
 电动机最小功率(KW) 0.055 0.11
0.22
0.55
1.1
2.2
5.5
11
18.5
22
 电动机电源穿线孔Φ(mm)
15
15
15
15
15
15
15
15
29
29
          注:表中电动机的额定电压为380V,电动机因型号、极数的不同,相同功率的额定电流会有不同,选用电动机保护器时应以电动机工作电流值为准。
          保  护  功  能:缺相、短路、接地、堵转、过载、电流不平衡、过压、欠压;                                    功  率  消  耗:小于 2W;
          适  用  范  围:额定电压不高于1140V,频率为50Hz或60Hz的三相交流电动机;                                   采  集  精  度:1.0;
          工  作  电  压:AC 85V — 265V(工作电源也是过压、欠压保护的电压信号);                                  环  境  温  度:- 20℃ — 50℃;
          检  测  电  压:AC 0 — 300V(检测工作电源电压,电压显示值可由参数设为检测值的1、1.732、3倍);
          继 电 器 触 点:AMDL-□/O031:1常开、常闭触点,AC 250V/10A(阻性负载)、DC 30V/10A;                        
                         AMDL-□/O032:2常开、常闭触点,AC 220V/5A(阻性负载)、DC 30V/5A;
100A及小于100A的AMDL-□/O03□系列电动机保护器 150A、200A的AMDL-□/O03□系列电动机保护器
  AMDL-□/O03□ 系列电动机保护器前面板组成
    LED 数码管显示区
        LED 数码管显示区有4位LED数码管,显示电动机的三相电流、电压、故障代码及电动机保护器参数。
        LED 数码管显示电动机的A、B、C相电流、电压,最左边LED数码管分别以A、B、C、U 表示A、B、C相电流、电压,其余三位LED数码管显示A、B、C相电流、电压数值。
        在检查、修改电动机保护器参数时,LED数码管显示参数的参数号及参数值,左边的1位LED数码管显示参数号,其余3位LED数码管显示参数的数值。
    键盘操作区
        R键:复位键,当需要复位操作时按R键,复位操作会使单片机重新初始化、电动机停止运行,在电动机正常运行时,不应进行复位操作。
        M键:存储键,检查、修改电动机保护器参数时先按M键,按一次M键,保存当前显示的参数,并调出后一个或前一个参数,如果参数号位 LED数码管右下脚的小数点亮就调出
             前一个参数,否则调出后一个参数。参数修改后,须按M键,新修改的参数才能被保存,如果按M键,没有调出后一个或前一个参数,新修改的参数也就没有被保存,是
             因为新修改的参数数据错误,须修正后再按M键。
 
序 号 操  作  前 操    作 操  作  后
1 按一次 M 键
2 按一次 M 键
 
序 号 操  作  前 操    作 操  作  后
1 按一次 M 键
2 按一次 M 键
       ▲键:数据位增值键,每按一次▲键,选定数据位数字加1(数据位数字右下角的小数点亮),当所选定数据位的数字是9时,再按▲键数字变为0。
 
序 号 操  作  前 操    作 操  作  后
1 按一次 ▲ 键
2 按一次 ▲ 键
3 按一次 ▲ 键
       ►键:标志位移动键。在检查、修改参数时,LED数码管右下脚的小数点是标志位,每按一次键,表示标志位的小数点就向右移动1位,当标志位小数点移到最右边一位时,
             再按键,标志位小数点就移到左边数第一位。
 
序 号 操  作  前 操    作 操  作  后
1 按一次 ► 键
2 按一次 ► 键
       检查、修改参数时,4位LED数码管最左边的1位是参数号,其余3位是数据位。LED数码管右下脚的小数点是标志位,哪一位LED数码管右下脚的小数点被点亮,该位就被选中,
       如果被选中的是数据位,按一次▲键,该位的数字就加1;如果被选中的是参数号位,按M键就调出前一个参数,如果被选中的不是参数号位,按M键就调出后一个参数。
  AMDL-□/O03□ 系列电动机保护器故障代码及参数
    电动机故障代码含义
       (1)、EE01:接地;      (2)、EE02:短路;       3)、EE03:缺相;      (4)、EE04:堵转;      (5)、EE05:电流不平衡;      (6)、EE06:过载;
       (7)、EE08:过压;      (8)、EE09:欠压。
    AMDL-□/O03□ 系列电动机保护器设置参数
       参数1:设置电动机工作电流,AMDL–0.5、AMDL–1、AMDL–2系列电动机保护器的电流设置值每单位0.01A;AMDL–5、AMDL–10、AMDL–20系列电动机保护器的电流设置
              值每单位0.1A;AMDL–50、AMDL–100、AMDL–150、AMDL–200 系列电动机保护器的电流设置值每单位1A。设置范围是电动机保护器额定值的0.2 - 1.1倍,出厂
              设置值是电动机保护器的0.8倍
       参数2:设置电动机起动过载六(电流大于4倍参数1设置值)保护时间,每单位0.1秒,设置范围:1-300,出厂设置值:30。
              参数2设置的数值是电动机起动电流大于参数1设置值4倍时的保护动作时间;当电动机起动电流小于4倍且大于3倍参数1设置值时,保护动作时间是参数2设置数值
              的2倍;当电动机起动电流小于3倍且大于2倍参数1设置值时,保护动作时间是参数2设置数值的4倍。

       参数3:设置电动机运行过载六(电流大于4倍参数1设置值)保护时间,每单位0.1秒,设置范围:1-300,出厂设置值:20。
              参数3设置的数值是电动机运行电流大于参数1设置值4倍时的保护动作时间;当电动机运行电流小于4倍且大于3倍参数1设置值时,保护动作时间是参数3设置数值
              的2倍;当电动机运行电流小于3倍且大于2倍参数1设置值时,保护动作时间是参数3设置数值的4倍。

       参数6:设置电动机过电压(电压显示值)数值,每单位1V,出厂设置值:437。
       参数7:设置电动机过压保护时间,每单位1秒,设置范围:1- 999,出厂设置值:3。
       参数8:设置电动机欠电压(电压显示值)数值,每单位1V,出厂设置值:323。
       参数9:设置电动机欠压保护时间,每单位1秒,设置范围:1- 999,出厂设置值:10。
       参数B:设置自复位功能及自复位时间,参数B的出厂设置为 B = 000(无自复位功能),当将参数B设为 B = 1×× 时,保护器开启自复位功能,××是 1-99 分钟的自
              复位时间。
       参数C:
设置电压倍数及显示功能,以C3C2C1三位十进制数表示C参数值,C1 是C参数右边数第一位十进制数,C2 是C参数右边数第二位十进制数。C1 是显示电压设置位,
              C1=0显示电压;C1 = 1不显示电压,只显示A、B、C相电流。C2是电压显示值与检测值倍数设置位,C2可设为0、1、2这3个数之一,C2=0倍数是1,电压显示值与检
              测值相等;C2=1倍数是1.732,如检测电压是220V则显示380V;C2=2倍数是3,如检测电压是220V则显示660V;C参数出厂设置值:010 。
    AMDL-□/O03□ 系列电动机保护器其它保护参数
       AMDL-□/O03□系列电动机保护器的其它参数都使用优化的缺省值,且不能重新设置。
       1、短路保护时间:0.3秒;
       2、接地保护时间:0.6秒;
       3、缺相保护时间:0.6秒;
       4、1相过载(1相电流大于1倍且小于1.25倍、另2相电流大于0.125倍且小于1倍参数1设置值)保护时间:480秒;
       5、2相过载(2相电流大于1倍且小于1.25倍、另1相电流大于0.125倍且小于1倍参数1设置值)保护时间:360秒;
       6、过载一(3相电流大于1倍且小于1.25倍参数1设置值)保护时间:240秒;
       7、过载二(3相电流大于1.25且小于1.5倍参数1设置值)保护时间:60秒;
       8、过载三(3相电流大于1.5倍且小于2倍参数1设置值)保护时间:30秒;
       9、不平衡一(2相或1相电流大于1.25倍且小于1.5倍、另1相或2相电流大于0.125倍且小于1倍参数1设置值)保护时间:60秒;
       10、不平衡二(2相或1相电流大于1.5倍且小于2倍、另1相或2相电流大于1倍且小于1.25 倍参数1设置值)保护时间:30秒;
     AMDL-□/O03□ 系列电动机保护器参数注释
       1、上述参数中的过载一、过载二、不平衡一等是为方便说明过载倍数、不平衡程度的表达,具体要看其后的数据范围;
       2、参数2、参数3是堵转保护时间,电动机起动30秒内,使用参数2进行堵转保护;电动机起动30秒后,使用参数3进行堵转保护。
       3、电动机发生1过载、2过载、过载一、过载二、过载三、过载四、过载五故障,保护器跳闸后报EE06(过载);发生过载六故障,保护器跳闸后报EE04(堵转);
  AMDL-□/O03□ 系列电动机保护器的接线
       AMDL-□/O03□系列电动机保护器的继电器,在保护器接通工作电源且电动机未发生故障时是吸合状态,常开触点闭合、常闭触点断开;在保护器未接通工作电源或虽接通
       工作电源但电动机发生故障时是非吸合状态,常开触点断开、常闭触点闭合。
    电动机保护器接线端子图
    
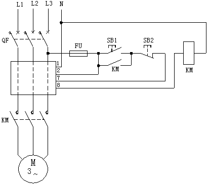
 (1)、100A及小于100A的AMDL-□/O03□系列电动机保护器接线图
              AMDL-□/O03□系列电动机保护器100A及小于100A接线端子图如下,1、2是工作电源接线端子,7、8是内部继电器触点的接线端子。
AMDL-□/O031系列电动机保护器100A及小于100A接线端子图
AMDL-□/O032系列电动机保护器100A及小于100A接线端子图 AMDL-□/O03□系列电动机保护器100A及小于100A电气原理图
      (2)、150A及200A的AMDL-□/O03□系列电动机保护器接线图
             AMDL-□/O03□系列电动机保护器150A、200A接线端子图如下,1、2是工作电源接线端子,9、10是内部继电器触点的接线端子。
AMDL-□/O031系列电动机保护器150A及200A接线端子图
AMDL-□/O032系列电动机保护器150A及200A接线端子图 AMDL-□/O03□系列电动机保护器150A及200A电气原理图
    电动机保护器接线方法
      (1)、100A及小于100A的AMDL-□/O03□系列电动机保护器接线方法
             将电动机主电路A、B、C相电源线分别穿过电动机保护器的A、B、C相穿线孔,将电动机保护器的1、2接线端子接到AC 220V电源上,将电动机保护器的7、8接线端子
             串接于电动机控制接触器线圈回路中。
      (2)、150A及200A的AMDL-□/O03□系列电动机保护器接线方法
             将电动机主电路A、B、C相电源线分别穿过电动机保护器的A、B、C相穿线孔,将电动机保护器的1、2接线端子接到AC 220V电源上,将电动机保护器的9、10接线端子
             串接于电动机控制接触器线圈回路中。
       特别需要注意,电动机运行时,连接电动机保护器和零序电流互感器的导线是不许断开的。
  AMDL-□/O03□ 系列电动机保护器外形及安装尺寸
     (1)、100A及小于100A的电动机保护器外形及安装尺寸
     (2)、150A及200A的电动机保护器外形及安装尺寸
微信:syxwzdh/13940019476                             QQ:3411938673                      QQ邮箱:3411938673@qq.COM   
电话:13940019476、15998105325、13940019903           HTTP://WWW.SY-XINWEI.COM           E-mail:XW@SY-XINWEI.COM
地址:沈阳市浑南区浑南四路1号A1928室                  邮编:110180                        网站备案 辽ICP备0500373