| AMDT-□/B000 小 微 系 列 电 动 机 保 护 器 |
AMDT-□/B000 小微系列电动机保护器特点
AMDT-□/B000 小微系列电动机保护器,在电动机正常运行时,显示电动机的 A、B、C 相电流;当电动机发生接地、短路、缺相、堵转、电流不平衡、过载故障时,通过断
开保护器内的继电器触点停止电动机运行(故障指示灯亮),同时显示故障代码指示电动机的故障类型,并且还显示发生故障时的A、B、C 相电流值。 |
| AMDT-□/B000 小微系列电动机保护器技术数据 |
| |
| AMDT-□/B000 小微系列电动机保护器数据 |
| 电动机保护器型号 |
AMDT-0.01/B000 |
AMDT-0.02/B000 |
AMDT-0.05/B000 |
AMDT-0.1/B000 |
AMDT-0.2/B000 |
AMDT-0.5/B000 |
AMDT-1/B000 |
AMDT-2/B000 |
AMDT-5/B000 |
| 最大设定电流(A) |
0.011 |
0.023 |
0.055 |
0.11 |
0.23 |
0.55 |
1.1 |
2.3 |
5.5 |
| 最小设定电流(A) |
0.002 |
0.004 |
0.01 |
0.02 |
0.04 |
0.1 |
0.2 |
0.4 |
1 |
| 电动机最大功率(KW) |
0.0045 |
0.011 |
0.022 |
0.045 |
0.11 |
0.22 |
0.45 |
1.1 |
2.2 |
| 电动机最小功率(KW) |
0.001 |
0.002 |
0.005 |
0.01 |
0.02 |
0.05 |
0.10 |
0.22 |
0.55 |
|
|
| 注:表中电动机的额定电压为380V,电动机因型号、极数的不同,相同功率的额定电流会有不同,选用电动机保护器时应以电动机工作电流值为准。 |
保 护 功 能:缺相、短路、接地、堵转、过载、电流不平衡;
适 用 范 围:额定电压不高于380V,频率为50Hz或60Hz的三相交流电动机;
工 作 电 源:AC 85V — 265V、DC 85V — 265V;
功 率 消 耗:小于 2W;
采 集 精 度:1.0;
环 境 温 度:- 20℃ — 50℃;
继 电 器 触 点:1常开触点,AC 220V/5A(阻性负载)、DC 30V/5A;
AMDT-□/B000 小微系列电动机保护器前面板组成
LED 数码管显示区
LED 数码管显示区有4位LED数码管,显示电动机的三相电流、故障代码及电动机保护器参数。
LED 数码管显示电动机的A、B、C相电流。最左边LED数码管分别以A、B、C表示A、B、C相电流,其余三位LED数码管 |
 |
|
显示A、B、C相电流数值。
在检查、修改电动机保护器参数时,LED数码管显示参数的参数号及参数值,最左边的1位LED数码管显示参数号,其余3位LED数码管显示参数的数值。
键盘操作区
R键:复位键,当需要复位操作时按R键。复位操作会使单片机重新初始化、电动机停止运行,在电动机正常运行时,不应进行复位操作。
M键:存储键,检查、修改电动机保护器参数时先按M键,按一次M键,保存当前显示的参数,并调出后一个或前一个参数,如果参数号位LED数码管右下脚的小数点亮就调
出前一个参数,否则调出后一个参数。参数修改后,须按M键,新修改的参数才能被保存,如果按M键,没有调出后一个或前一个参数,新修改的参数也就没有被保存,
是因为新修改的参数数据错误,须修正后再按M键。 |
| |
| 序 号 |
操 作 前 |
操 作 |
操 作 后 |
| 1 |
 |
按一次 M 键 |
 |
| 2 |
 |
按一次 M 键 |
 |
|
|
| |
| 序 号 |
操 作 前 |
操 作 |
操 作 后 |
| 1 |
 |
按一次 M 键 |
 |
| 2 |
 |
按一次 M 键 |
 |
|
|
| ▲键:数据位增值键,每按一次▲键,选定数据位数字加1(数据位数字右下角的小数点亮),当所选定数据位的数字是9时,再按▲键数字变为0。 |
| |
| 序 号 |
操 作 前 |
操 作 |
操 作 后 |
| 1 |
 |
按一次 ▲ 键 |
 |
| 2 |
 |
按一次 ▲ 键 |
 |
| 3 |
 |
按一次 ▲ 键 |
 |
|
|
►键:标志位移动键。在检查、修改参数时,LED数码管右下脚的小数点是标志位,每按一次►键,表示标志位的小数点就向右移动1位,当标志位小数点移到最右边一位时,
再按►键,标志位小数点就移到左边数第一位。 |
| |
| 序 号 |
操 作 前 |
操 作 |
操 作 后 |
| 1 |
 |
按一次 ► 键 |
 |
| 2 |
 |
按一次 ► 键 |
 |
|
|
检查、修改参数时,4位LED数码管最左边的1位是参数号,其余3位是数据位。LED数码管右下脚的小数点是标志位,哪一位LED数码管右下脚的小数点被点亮,该位就被选中,
如果被选中的是数据位,按一次▲键,该位的数字就加1;如果被选中的是参数号位,按M键就调出前一个参数,如果被选中的不是参数号位,按M键就调出后一个参数。 |
AMDT-□/B000 小微系列电动机保护器故障代码及参数
电动机故障代码含义
(1)、EE01:接地; (2)、EE02:短路; (3)、EE03:缺相; (4)、EE04:堵转; (5)、EE05:电流不平衡; (6)、EE06:过载。
AMDT-□/B000 小微系列电动机保护器设置参数
参数1:设置电动机工作电流,AMDT–0.01、AMDT–0.02、AMDT–0.05、AMDT–0.1、AMDT–0.2保护器的电流设置值每单位0.001A;AMDT–0.5、AMDT–1、AMDT–2保护器
的电流设置值每单位0.01A;AMDT–5保护器的电流设置值每单位0.1A;设置范围是电动机保护器额定值的0.2-1.1倍,出厂设置值是电动机保护器的0.8倍。
参数2:设置电动机起动过载六(电流大于4倍参数1设置值)保护时间,每单位0.1秒,设置范围:1-300,出厂设置值:30。
参数3:设置电动机运行过载六(电流大于4倍参数1设置值)保护时间,每单位0.1秒,设置范围:1-300,出厂设置值:20。
参数4:设置电动机1相过载(1相电流大于1倍且小于1.25倍、另2相电流大于0.125倍且小于1倍参数1设置值)保护时间,每单位1秒,设置范围:1-999,出厂设置值:480。
参数5:设置电动机2相过载(2相电流大于1倍且小于1.25倍、另1相电流大于0.125倍且小于1倍参数1设置值)保护时间,每单位1秒,设置范围:1-999,出厂设置值:360。
参数6:设置电动机过载一(3相电流大于1倍且小于1.25倍参数1设置值)保护时间,每单位1秒,设置范围:1-999,出厂设置值:240。
参数7:设置电动机过载二(3相电流大于1.25且小于1.5倍参数1设置值)、不平衡一(2相或1相电流大于1.25倍且小于1.5倍、另1相或2相电流大于0.125倍且小于1倍参数1设
置值)保护时间,每单位1秒,设置范围:1-999,出厂设置值:60。
参数8:设置电动机过载三(3相电流大于1.5倍且小于2倍 参数1设置值)、不平衡二(2相或1相电流大于1.5倍且小于2倍、另1相或2相电流大于1倍且小于1.25倍 参数1设置
值)保护时间,每单位1秒,设置范围:1-999,出厂设置值:30。
参数9:设置电动机过载四(3相电流大于2且小于3倍参数1设置值)保护时间,每单位1秒,设置范围:1-999,出厂设置值:8。
参数A:设置电动机过载五(3相电流大于3倍且小于4倍参数1设置值)保护时间,每单位 1秒,设置范围:1-999,出厂设置值:4。
参数B:设置自复位功能及自复位时间,参数B的出厂设置为 B = 000(无自复位功能),当将参数B设为 B = 1×× 时,保护器开启自复位功能,××是 1-99 分钟的自
复位时间。
参数0:设置是否恢复2、3、4、5、6、7、8、9、A、B号参数出厂设置值,设置值:000、111,输入000,不恢复2、3、4、5、6、7、8、9、A、B号参数出厂设置值;输入
111,恢复2、3、4、5、6、7、8、9、A、B号参数出厂设置值。
AMDT-□/B000 小微系列电动机保护器其它保护参数
AMDT-□/B000 小微系列电动机保护器的其它参数都使用优化的缺省值,且不能重新设置。
1、短路保护时间:0.3秒;
2、接地保护时间:0.6秒;
3、缺相保护时间:0.6秒;
AMDT-□/B000 小微系列电动机保护器参数注释
1、上述参数中的过载一、过载二、不平衡一等是为方便说明过载倍数、不平衡程度的表达,具体要看其后的数据范围;
2、参数2、参数3是堵转保护时间,电动机起动30秒内,使用参数2进行堵转保护;电动机起动30秒后,使用参数3进行堵转保护。
3、电动机发生1过载、2过载、过载一、过载二、过载三、过载四、过载五故障,保护器跳闸后报EE06(过载);发生过载六故障,保护器跳闸后报EE04(堵转); |
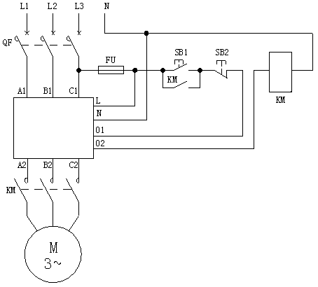
| AMDT-□/B000 小微系列电动机保护器的接线 |
AMDT-□/B000 小微系列电动机保护器的继电器,在保护器接通工作电源且电动机未发生故障时是吸合状态,常开触点闭合;在保护器未接通工作电源或虽接通工作电源但
电动机发生故障时是非吸合状态,常开触点断开。 电动机保护器接线端子图
在AMDT-□/B000 小微系列电动机保护器的接线端子中,A1、B1、C1是电动机主电路A、B、C相电流流入电动机保护器的接线端子;A2、B2、C2是电动机主电路A、B、C相电流
流出电动机保护器的接线端子。电动机主电路A、B、C相电压的额定值不能高于380V。O1、O2是电动机保护器内部继电器触点接线端子,L、N是电动机保护器工作电源接线端子。 |
|
 |
AMDT-□/B000 小微系列电动机保护器应用电气原理图 |
|
AMDT-□/B000 小微系列电动机保护器接线端子图 |
电动机主电路A、B、C相电源线连接方法
电动机主电路A、B、C相电压的额定值不能高于380V。接线时,把电动机主电路A、B、C相
流入电动机保护器的电源线分别接到电动机保护器的A1、B1、C1接线端子;把电动机主电
路A、B、C相流出电动机保护器的电源线分别接到电动机保护器的A2、B2、C2接线端子。
电动机保护器工作电源
将电动机保护器的 L、N接线端子接到AC 220V电源上 。
电动机保护器继电器触点的连接
将电动机保护器的O1、O2接线端子串接于电动机控制接触器线圈回路中。 |
|
| AMDT-□/B 小微系列电动机保护器外形及安装尺寸 |
|
| AMDT-□/B 小微系列电动机保护器外形及安装孔尺寸 |